YYCR—2021—01005
各县市区人民政府,岳阳经济技术开发区、城陵矶新港区、南湖新区、屈原管理区,市直各单位,中央、省属驻岳各单位:《岳阳市城市规划区修建性详细规划和建设工程设计方案管理若干规定》已经市人民政府同意,现印发给你们,请认真遵照执行。
岳阳市人民政府办公室
2021年12月25日
(此件主动公开)
岳阳市城市规划区修建性详细规划和建设工程
设计方案管理若干规定
(根据2022年12月1日《岳阳市人民政府关于公布规范性文件清理结果的决定》修订)
为进一步规范我市城市规划区修建性详细规划和建设工程设计方案管理,提高城市品质,加强城市管理,维护社会公共利益,根据《中华人民共和国城乡规划法》《湖南省实施〈中华人民共和国城乡规划法〉办法》和《城市居住区规划设计标准》(GB 50180—2018)等有关规定,结合我市实际,制定本规定。
一、岳阳市城市规划区和岳阳县部分行政区域范围内修建性详细规划以及新建、改建、扩建建(构)筑物的建设工程设计方案的编制、修改及其监督管理,均应遵守本规定。
二、 以下款项内的修建性详细规划、建设工程设计方案由市政府或相关行政主管部门审定,在审定前按下列程序审查:(一)岳阳大道、南湖大道、巴陵路两侧,“一湖两岸”核心区范围内(不含岳阳县段),风景名胜区及其外围保护地带、重要文物保护范围及建设控制地带、历史城区保护范围内的项目,以及上述范围之外对城市布局、交通、消防、景观和环境有重大影响的片区标志性工程、地标性建筑,大型公共建筑等项目,由市资规局组织审查并报市国土空间规划委员会专题会审查后,报市国土空间规划委员会主任签署。(二)青年路、冷水铺路、湖滨大道、赶山路、沿湖大道、湘北大道、洞庭大道、沙鸥路、旅游路、云中路、云溪大道、长康路、云港路、长江大道、联港路、西环线两侧,除(一)项规定之外的控制性详细规划确定的重要地块,其他地段建设规模达到30万平方米以上或单体公共建筑规模达到3万平方米以上的项目,由市资规局组织审查后,报市国土空间规划委员会专题会审定。(三)岳阳县荣家湾镇、新开镇控制性详细规划确定的重要地块,G240、湘北大道两侧,以及“一湖两岸”核心区范围内岳阳县段的建设项目,其他地段建设规模达到30万平方米以上或单体公共建筑规模达到3万平方米以上的建设项目,其修建性详细规划和建设工程设计方案,由岳阳县自然资源部门依法审定。岳阳县自然资源部门在审定前应将设计方案报岳阳县政府、市资规局审查,再报市国土空间规划委员会专题会议审定。上述(一)(二)(三)项规定范围内对城市风貌、周边环境协调性无重大影响的建设项目,由市资规局组织审查后,报市国土空间规划委员会副主任签署。
三、修建性详细规划和建设工程设计方案的编制、修改应符合片区控制性详细规划。
住房建设主管部门应依据经批准的建设工程设计方案审查建筑初步设计及施工图设计。实施过程中的设计变更不得改变经批准的规划设计条件、修建性详细规划和建设工程设计方案,建设方确需改变的,按规定程序重新报批。
四、修改经依法审定的修建性详细规划和建设工程设计方案,应具备下列情形之一:
(一)控制性详细规划发生重大变更对项目产生重大影响的;
(二)公共建筑和公益设施建设对项目产生重大影响的;
(三)在符合控制性详细规划的前提下,增加绿地率和停车位、降低建筑密度等改善项目环境的;
(四)法律、法规规定的其他情形。
符合上述情形之一的,自然资源和规划行政主管部门应当采取听证会、论证会或座谈会等形式,听取相对利害关系人的意见,并按本规定重新报批。
五、居住用地内配套的商业建筑,原则上应与住宅建筑分离,集中统一布置。居住用地内的社区服务站、文化活动站(含青少年、老年活动站)、生活垃圾分类设施、老年人日间照料中心(托老所)、社区卫生服务站、快递收发点等配套设施,应按照《城市居住区规划设计标准》5分钟、10分钟、15分钟生活圈的配置要求配置齐全。工业项目生活配套设施原则上应集中布置。
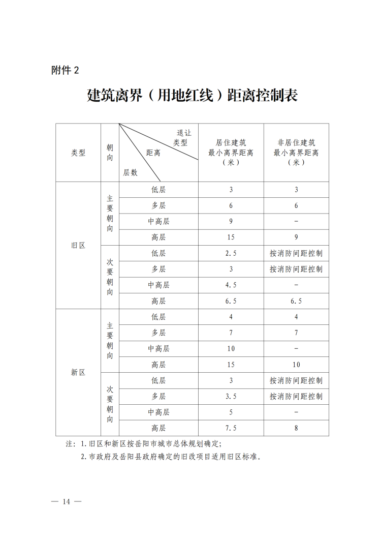
六、沿建筑基地边界(用地红线)的建筑物,其离界(用地红线,下同)距离按以下规定控制;但离界距离小于防火间距时,须按防火间距相关规定控制。
各类建筑的离界距离不得小于规定的最小距离(见附件2)。
七、居住建筑山墙间距应符合最小距离的规定(见附件3)。
临街高层建筑山墙间距不得少于20米。临街建筑山墙不宜开设门窗。
八、临街建筑退让城市道路红线距离按建筑高度和道路级别进行分类控制,其退让距离应符合最小距离的规定(见附件4)。
临城市道路设置商业设施的,建筑退让城市道路红线的最小距离按平行布置时的最小退让距离增加5米以上确定。
沿铁路、各级公路的退让应符合以下要求:与铁路运营无关的建筑后退最近一道铁轨的距离,高速铁路不少于50米,铁路干线不少于30米,铁路支线不少于15米;后退高速公路两侧边沟外缘不少于30米;后退高速公路的连接道路不少于20米,后退普通国道不少于20米,省道不少于15米,县道不少于10米,其他公路不少于5米。
九、临城市道路交叉口周边应留出足够的开放空间,建筑退让城市道路交叉口距离按转角处道路红线直线段与曲线段的切点连线的垂直距离进行退让控制,其退让距离应符合最小距离的规定(见附件5)。
十、在不影响行车安全及建筑物和人行道正常使用的情况下,建筑后退城市主、次干道道路交叉口的用地,应结合行道树的种植,设置面积不少于40平方米的绿化岛。后退城市道路红线的临街公共空间应加强绿化设计,建成林荫式公共空间。有条件的临街用地,后退城市道路红线距离超过10米的,建设绿带面积不少于20%;后退城市道路红线距离在10米以下的,种植一排行道树。
十一、修建性详细规划和建设工程设计方案必须编制园林景观设计方案专篇,设计内容及深度应当符合《城市绿地设计规范》(住建部公告第1192号)、《公园设计规范》(住建部公告第1285号)、《居住绿地设计标准》(住建部公告2019年第82号)、《建筑场地园林景观设计深度及图样》(06SJ805)、《市政公用工程设计文件编制深度规定(2013年版)》(建质〔2013〕57号)。 新建(改建、扩建)的公共建筑、工业建筑和市政交通设施有条件的应实施立体绿化。立体绿化设计按照国家、省、市相关规范标准执行。
十二、建设工程设计应符合下列规定:
(一)建筑形式和色彩应符合岳阳市城市风貌规划的要求,岳阳楼景区、南湖景区及其外围保护地带的建筑形式和色彩应符合经依法批准的《岳阳楼—洞庭湖风景名胜区总体规划》《岳阳楼景区、南湖景区外围保护地带风貌规划》及风景区管理的相关规定。历史城区内的建筑形式应采用仿古建筑形式和简化仿古建筑形式,色彩应以灰白色系为主色调。历史文化街区与其他区域的过渡区,
岳阳楼、南湖、君山景区及其外围保护地带的建筑形式宜为地方建筑形式,色彩应以灰白色系为主色调。其他区域的建筑形式、建筑色彩应符合相关区域城市设计的要求,低层、多层屋顶原则上应采用坡屋顶的形式。建筑单体的尺度应与周边相协调,建筑群体应通过有组织的重复和变化,形成韵律与节奏。滨水、临山、临城市主要道路及城市公园的高层建筑,应形成高低错落、层次丰富、进退有序的天际轮廓线,低、多层建筑(含裙楼)面宽一般不超过80米,首排高层住宅建筑垂直于景观界面的正投影最大宽度应≤45米。沿街布置的低、多层建筑(含裙楼),应通过分段增加细节和进退变化等方式,加强城市街道设计。建筑立面设计应符合建筑形式美的规律,重要节点建筑的方案设计应在满足城市规划和环境要求的基础上体现建筑个性。
(二)以高层建筑为主且计容建筑面积20万平方米以上的地块应进行高度分区设计,分组团形成建筑高度的梯级变化。同一区域涉及多个项目的,应统筹进行高度分区设计。原则上每个高度层级(不含裙楼、低多层)不少于2栋,层级之间高差不小于20米。
(三)新建的建设项目应在基地内沿道路交叉口或基地出入口设置广场,并对外开放。住宅项目的广场总面积原则上不小于基地面积的5%,且不宜小于200平方米,广场形状宜规整。新建的建设项目临城市道路、广场不得设置地面机动车停车位,取消在建和已建项目临城市道路和广场的地面机动车停车位。鼓励人行道与相邻建筑退让空间进行一体化设计,统筹利用空间资源,塑造高品质步行环境。加强空间设计,通过绿化、美化、亮化,增加功能设施,提高利用率。
(四)设计单位应对建筑进行节能设计,对政府投资的公益性建筑和大型公共建筑还应进行绿色建筑设计。设计建筑屋顶和外立面时,应将太阳能、花池等设施与建筑整体统筹设计。
(五)锅炉房、配电房、水泵房、烟囱、垃圾点、化粪池不得临城市道路布置,沿城市道路建筑的空调外机、管道等应进行隐蔽式设计,不得裸露外置。城市道路两侧的商业建筑安装的卷闸门应与其附属的雨篷、遮阳物、广告牌和底层柱的装饰风格统一。建筑及附属设施,包括建筑标识、门廊、连廊、阳台、室外楼梯、台阶、坡道、平台、地下室进排风口、地下室出入口、集水井、采光井等不得在后退城市道路红线范围内设置。
(六)沿城市主干道建筑的立面窗户、阳台只能安装不超过外墙面或阳台栏板的防护罩。
安装防护罩应以建筑群或整栋为单位,与建筑主体统一设计,统一形式,并采用不锈钢、铝合金等新型材料。
安装窗罩、阳台罩时应在交通方便的一面设置一个活动出口,供消防救护时使用。
(七)沿城市道路建筑的外墙窗户与装饰,鼓励使用新型、节能材料,裙楼装饰提倡采用石材,城市道路交叉口及道路拐弯处的建筑禁止使用光污染材料,所用材料均须安全、环保。
(八)修建性详细规划和建设工程设计方案的编制、修改应依据《湖南省人民防空工程建设与维护管理规定》(省政府令第297号),规划、设计地下人防工程,其规模、功能、防护等级等内容应报人防行政主管部门审定;人防工程新建、改建、扩建应符合人防工程建设相关战术技术规范、标准要求。需要作重大修改的,还应当由施工图审查机构审查合格后,报人防行政主管部门备案。
十三、编制片区详细规划、建筑单体设计方案时,应充分考虑道路的能级与功能,保持适宜的沿街空间尺度以及街道宽度与两侧建筑高度的比值。
十四、新建各级生活圈居住区应配套规划建设公共绿地,并应集中设置具有一定规模,且能开展休闲、体育活动的居住区公园:
(一)十五分钟生活圈居住区内人均公共绿地面积不得小于2平方米,居住区内配建公园的面积不小于5公顷,最小宽度不小于80米。该指标不含十分钟生活圈及下级居住区的公共绿地指标。
(二)十分钟生活圈居住区内人均公共绿地面积不得小于1平方米,居住区内配建公园的面积不小于1公顷,最小宽度不小于50米。该指标不含五分钟生活圈及下级居住区的公共绿地指标。
(三)五分钟生活圈居住区内人均公共绿地面积不得小于1平方米,居住区内配建公园的面积不小于0.4公顷,最小宽度不小于30米。该指标不含居住街坊的绿地指标。
(四)当旧区改建确实无法满足上述规定时,可采取多点分布以及立体绿化等方式改善居住环境,但人均公共绿地面积不应低于相应控制指标的70%。
十五、居住街坊内集中绿地的规划建设,应符合下列规定:
(一)新区建设不应低于0.5平方米/人,旧区改建不应低于0.35平方米/人;
(二)宽度不应小于8米;
(三)在标准的建筑日照阴影线范围之外的绿地面积不应少于1/3,其中应设置老年人、儿童活动场地。
十六、修建性详细规划和建设工程设计方案应有海绵城市设计专篇,同时,城市排水应实行“雨污分流”制,各类地下管线按国家规范要求合理布置。除军事、保密性建筑等有特殊要求的公共建筑外,公共建筑的临街面应敞开,不得建设围墙。临城市道路的围墙应采用通透式,后退城市道路红线距离不得小于2米。
十七、
亮化设计应按照省、市相关规定执行,并与方案同步设计、同步建设、同步验收。
十八、总建筑面积大于或等于500平方米的临时建筑报市国土空间规划委员会专题审查后,由自然资源和规划行政主管部门审批。审批临时建筑应明确使用期限,使用期限届满后自行拆除。
十九、市中心城区停车位的配建按照《岳阳市中心城区停车位配建标准》(见附件6)执行,表中未明确的事项或所列事项不明确的,由市资规局根据具体情况核定停车位配建标准。改(扩)建建筑物总面积大于或等于500平方米的,除增加建筑面积的部分应按要求配建停车位外,按原建筑物面积配建停车位不足的,应在改(扩)建的同时,按不低于车位差额数的30%予以补建。学校及医院应设置即走即停车辆临时停靠点。
二十、 临城市主次干道地面不得直接对外设置停车位,居住区(居住小区)项目内的停车泊位原则上应全部在地下进行设置,因项目场地条件限制,地面可设置部分临时停车位用于公共服务、社区服务、物业管理、临客来访等。民用非居住建筑、工业用地或仓储用地内配建的非厂房类与非仓库类建筑(如配套的办公、展示、倒班宿舍、运动、休闲、食堂、小卖部等建筑)配建的地下停车库停车位数量应不少于该部分建筑配建停车位数量的80%。工业地产项目配建的地下停车库停车位数量应不少于总配建停车位数量(不含货运车辆和装卸车位)的70%;除工业地产之外的工业项目和仓储物流项目的停车位配建按总量进行控制,可依据行业设计规范在建设用地内地上、地下合理设置,鼓励在地下进行集中设置。商场、街道综合服务中心机动车停车场(库)可采用地下停车、停车楼或机械式停车设施。住宅建筑配建的停车库的子母车位按2个车位计算,一个微型车位按0.7个有效车位计算。换算为有效车位后,子车位总数不得超过应配建车位总量的5%,子车位与微型车位的总数不得超过应配建车位总量的10%。停车设施应与主体工程同步设计、同步施工、同步验收和同步交付使用,规划作为停车使用的用地和建筑空间不得改变为其他用途。
二十一、对于旧改、棚改及须实施的民生、市政、公共服务等项目建设过程中涉及的退让、车位配比须突破本文件相关控制指标等问题的,报市政府另行研究。
二十二、违反本规定的,按《城乡规划违法违纪行为处分办法》(监察部、人社部、住建部令第29号)等相关规定追究责任单位和责任人的责任。
二十三、本规定自印发之日起施行。本市有关规定与本规定不一致的,以本规定为准。各县市区可参照本规定,结合当地实际制定相应的管理规定。《岳阳市人民政府办公室关于印发〈岳阳市城市规划区修建性详细规划和建设工程设计方案管理若干规定〉的通知》(岳政办发〔2016〕10号)和《岳阳市人民政府办公室关于修改〈岳阳市城市规划区修建性详细规划和建设工程设计方案管理若干规定〉部分条款的通知》(岳政办发〔2018〕6号)同时废止。
附件:1.用语含义
2.建筑离界(用地红线)距离控制表
3.居住建筑山墙间距控制表
4.建筑退让城市道路红线距离表
5.建筑退让城市道路交叉口距离表
6.岳阳市停车位配建标准
附件1
用 语 含 义
1.“一湖两岸”核心区范围:包括东岸和西岸,沿江腹地1公里腹地范围。东岸北起云溪区道仁矶,南至岳阳县鹿角港,岸线长度约61公里;西岸为君山垸,岸线长度约30公里。
2.建筑退让:建筑物外墙与建设用地红线之间的最小垂直距离。
3.超高层建筑:建筑高度在100米以上的建筑。
4.低层住宅:层数为1—3层的住宅。
5.多层住宅:层数为4—6层的住宅。
6.中高层住宅:层数为7—9层的住宅。
7.高层住宅:层数大于等于10层的住宅。




